PESD0402-060 Datasheet by Littelfuse Inc.

View All Related Products | Download PDF Datasheet
ETyco Electronics ESD Protector 308 Constitution Drive Overvoltage Protection Dewce Memo Park. CA 94025-1164 PM“: 8004274856 Raychem Circuit Protection Products WWW. CIICUIIPIDIQCIIDH. 00m n .Rl L BENEFITS . Board . Help p . Assist FEATURES 0 Thick . Low 0 . Lowtr . Low 0 . Capab . Comp . Bi-dxre APPLICATIONS o Cellul Caution: This pan is E only 10 MATERIALS INFORMATION ROHS C Dlrecnve zoazssslac Dlreclive zone/same Compliant Campnam PART NUMBERING PESD My 060 Series —‘ t 10” EIA Size The operalin
308 Constitution Drive
Menlo Park, CA 94025-1164
Phone: 800-227-4856
www.circuitprotection.com
ESD Protector
Overvoltage Protection Device
Raychem Circuit Protection Products
PRODUCT: PESD0402-060
DOCUMENT: SCD 26105
REV LETTER: I
REV DATE: DECEMBER 7, 2007
PAGE NO.: 1 OF 8
Specification Status: Released
BENEFITS
Board space savings
Help protect sensitive electronic circuits against damage from electrostatic discharge (ESD)
Assist equipment to pass IEC 61000-4-2, level 4 testing
FEATURES
Thick film technology
Low capacitance (0.25 pF typical)
Low trigger voltage
Low clamping voltage
Capable of withstanding numerous ESD strikes
Compatible with standard reflow installation procedures
Bi-directional protection
APPLICATIONS
Cellular phones
Caution: This part is not intended to be used under bias, nor for power bus nor data line applications. It is
only to be used in RF applications.
MATERIALS INFORMATION
ROHS Compliant ELV Compliant
PART NUMBERING
PESD 0402 -060
Series Operating Voltage Designator
6 x 10
0
= 6VDC
EIA Size
The operating voltage is used to measure leakage current @ 1s
Not to be used for new designs. For new design please contact Tyco Electronics Sales
Tr.I'Tyco Electronics ESD Protector 308 Constitution Drive Overvoltage Protection DeVIce Memo Park. CA 9402571164 Ph°”e' 8002274856 Raychem Circuit Protectinn Pmducts WWW.DI]DUI[p/0[ec[lan.00m PRODUCT: PESD0402-060 DOCUMENT. SCD 26105 REV LETTER i REV DATE DECEMBER 7, 2007 PAGE NO.. 2 OF 8 TYPICAL DEVICE RATINGS AND CHARACTERISTICS in? GENERAL CHARACTERISTICS Environmental Specifications
308 Constitution Drive
Menlo Park, CA 94025-1164
Phone: 800-227-4856
www.circuitprotection.com
ESD Protector
Overvoltage Protection Device
Raychem Circuit Protection Products
PRODUCT: PESD0402-060
DOCUMENT: SCD 26105
REV LETTER: I
REV DATE: DECEMBER 7, 2007
PAGE NO.: 2 OF 8
TYPICAL DEVICE RATINGS AND CHARACTERISTICS
Typical
IEC
Trigger
Voltage1
Typical
IEC
Clamping
Voltage1
after
30ns
Typical
TLP
Trigger
Voltage2
Typical
TLP
Clamping
Voltage2
after 30ns
Typical TLP
Clamping
Voltage2
after 60ns
Typical
Capacitance
@ 1 MHz,
1Vrms
VT(IEC) V
C(IEC) V
T(TLP) V
C(TLP 30) V
C(TLP 60) Cp
V V V V V pF
Symbol
Unit
Value 150 25 225 40 35 0.25
Note 1: Measured during IEC 61000-4-2, level 4 pulse, 8kV contact test method
Note 2: TLP test method at 1000V (refer to graph on next page).
GENERAL CHARACTERISTICS
Operating temperature: -55°C … + 110°C
Storage temperature: -40°C … + 85°C
ESD voltage capability (tested per IEC 61000-4-2)
o Contact discharge mode: typical 8kV, max 15kV
o Air discharge mode: typical 15kV, max 25kV
ESD pulse withstand: Typically 500 pulses (tested per IEC 61000-4-2, level 4, contact method)
Environmental Specifications
Thermal
Shock
Heat
Storage
Test
Solderability Solder
Heat Vibration Mechanical
Shock
Solvent
Resistance
Test
Conditions
-55oC to
125oC
30min
dwell
1000
cycles
110oC,
1000hours
230 oC±5 oC
3±1s,
95%
coverage
260 oC,
10s
10 to
50Hz,60s
cycle,
2hrs
each in
X-Y-Z
axis
1500G,
0.5ms, X-Y-
Z axis, 3
times
IPA
ultrasonic
300s
Pass/Fail
Criteria IL10µA IL10µA IL10µA IL10µA IL10µA IL10µA IL10µA
PRODUCT: PESD0402-060 E Tyco Electronics DOCUMENT: SCD 26105 REV LETTER T REV DATE DECEMBER 7, 2007 PAGE NO.: 3 OF 8 TYPICAL TRANSMISSION LINE PULSE RESPONSE GRAPH
308 Constitution Drive
Menlo Park, CA 94025-1164
Phone: 800-227-4856
www.circuitprotection.com
ESD Protector
Overvoltage Protection Device
Raychem Circuit Protection Products
PRODUCT: PESD0402-060
DOCUMENT: SCD 26105
REV LETTER: I
REV DATE: DECEMBER 7, 2007
PAGE NO.: 3 OF 8
0
50
100
150
200
250
300
350
400
450
500
0 102030405060708090100
Time (ns)
Voltage (V)
TYPICAL TRANSMISSION LINE PULSE RESPONSE GRAPH
E Tyco Electronics 308 Consmuiion Drive Memo Park. CA 94025-1164 Phone: 800-227-4856 www.circuitprotection.com ESD Protector Overvoltage Proiection Device Raychem circuit Protection Products PRODUCT: PESD0402-060 DOCUMENT: SCD 26105 REV LE'I'I'ER: | REV DATE: DECEMBER 7, 2007 PAGE NO.: 4 OF B DIMENSIONS
308 Constitution Drive
Menlo Park, CA 94025-1164
Phone: 800-227-4856
www.circuitprotection.com
ESD Protector
Overvoltage Protection Device
Raychem Circuit Protection Products
PRODUCT: PESD0402-060
DOCUMENT: SCD 26105
REV LETTER: I
REV DATE: DECEMBER 7, 2007
PAGE NO.: 4 OF 8
DIMENSIONS
Drawing Not To Scale
*Rounded off approximation
Length A Height B Terminal Width C Width D
MIN MAX MIN MAX MIN MAX MIN MAX
mm: 0.95 1.05 0.28 0.43 0.1 0.3 0.45 0.55
in*: (0.037) (0.041) (0.008) (0.017) (0.004) (0.010) (0.018) (0.022)
C
D
B
A
E Tyco Electronics 308 Constitution Drive Memo Park. CA 9402571164 Phone: 80072274856 www.cucummrecnunrum ESD Protector Overvoltage Protection Device Raychem Circuit Protection Products PRODUCT: PESD0402-060 DOCUMENT: SCD 26105 REV LETTER i REV DATE DECEMBER 7, 2007 PAGE NO.: 5 OF 8 RECOMMENDED LAND PATTERN: Solder thickness 0.15 to 0.2mm W X Min Max Min Max M mm: 0.6 0.7 0.3 0.4 0 in: ' (0.024) (0.028) (0.012) (0.015) (0. “Rounded of! approximation. SOLDER REFLOW RECOMMENDATIONS: From ambient A Temperature Preheating ramp up 1 temperature B Preheating 140°C - 160° Temperature From Preheatin C ramp up 2 Main heating temperature at 200°C Main at 220°C D heating at 240°C at 260°C From main hea E Cooling temperature 100°C
308 Constitution Drive
Menlo Park, CA 94025-1164
Phone: 800-227-4856
www.circuitprotection.com
ESD Protector
Overvoltage Protection Device
Raychem Circuit Protection Products
PRODUCT: PESD0402-060
DOCUMENT: SCD 26105
REV LETTER: I
REV DATE: DECEMBER 7, 2007
PAGE NO.: 5 OF 8
RECOMMENDED LAND PATTERN:
Solder thickness 0.15 to 0.2mm
*Rounded off approximation.
SOLDER REFLOW RECOMMENDATIONS:
W X Y (Ref) Z
Min Max Min Max Min Max Min Max
mm: 0.6 0.7 0.3 0.4 0.8 0.9 2.1 2.2
in: * (0.024) (0.028) (0.012) (0.016) (0.031) (0.035) 0.083) (0.087)
A Temperature
ramp up 1
From ambient to
Preheating
temperature
30s to 60s
B Preheating 140°C - 16C 60s to 120s
C Temperature
ramp up 2
From Preheating to
Main heating
temperature
20s to 40s
at 200°C 60s ~ 70s
Main at 220°C 50s ~ 60s
D heating at 240°C 30s ~ 40s
at 260°C 5s ~ 10s
E Cooling
From main heating
temperature to
100°C
max 4°C/s
X
W
Y
Z
E Tyco Electronics 308 Constitution Drive Memo Park. CA 9402571164 Phone: 80072274856 www.oircunpmrecnunrum ESD Protector Overvoltage Protection Device Raychem Circuit Protection Products PRODUCT: PESD0402-060 DOCUMENT: SCD 26105 REV LETTER i REV DATE DECEMBER 7, 2007 PAGE NO.: 6 OF 8 PACKAGING Temperature (‘0) 300 250 200 1 50 1 00 50 Preheating Soldering Cooling i A i B | C | D i E Tume(s)
308 Constitution Drive
Menlo Park, CA 94025-1164
Phone: 800-227-4856
www.circuitprotection.com
ESD Protector
Overvoltage Protection Device
Raychem Circuit Protection Products
PRODUCT: PESD0402-060
DOCUMENT: SCD 26105
REV LETTER: I
REV DATE: DECEMBER 7, 2007
PAGE NO.: 6 OF 8
PACKAGING
Packaging Tape & Reel Standard Box
PESD0402-060 10,000 50,000
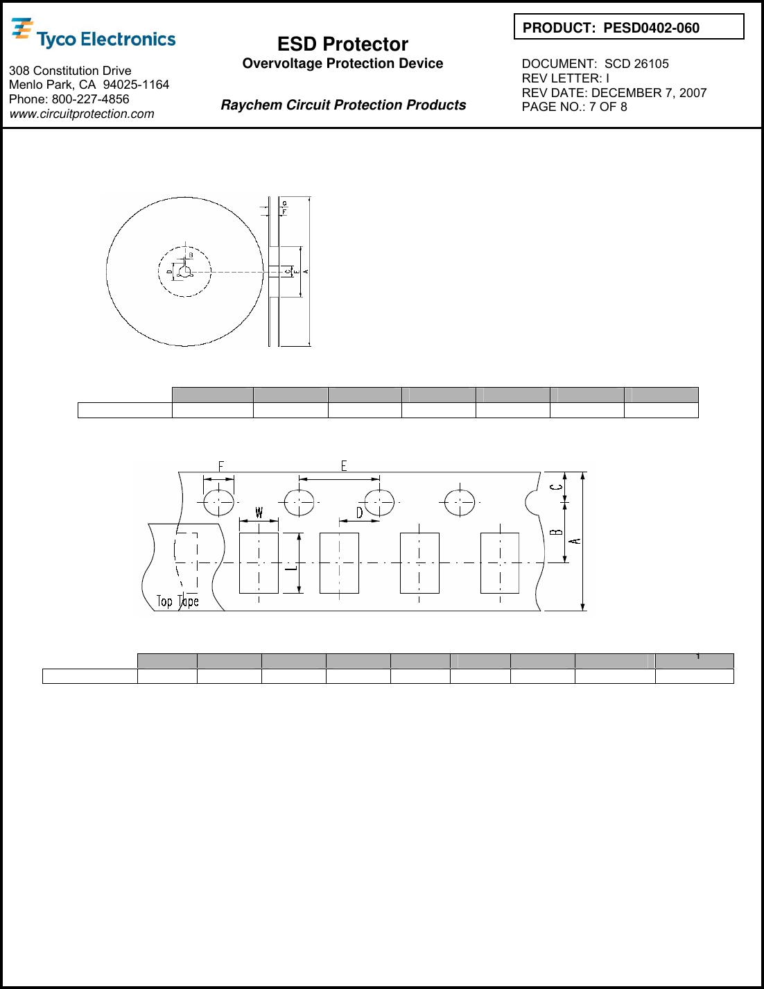
E Tyco Electronics 308 Constitution Drive Memo Park. CA 9402571164 Phone: 80072274856 www.cucunpmrecnunrum ESD Protector Overvoltage Protection Device Raychem Circuit Protectinn Products PRODUCT: PESD0402-060 DOCUMENT: SCD 26105 REV LETTER i REV DATE DECEMBER 7, 2007 PAGE NO.: 7 OF 8
308 Constitution Drive
Menlo Park, CA 94025-1164
Phone: 800-227-4856
www.circuitprotection.com
ESD Protector
Overvoltage Protection Device
Raychem Circuit Protection Products
PRODUCT: PESD0402-060
DOCUMENT: SCD 26105
REV LETTER: I
REV DATE: DECEMBER 7, 2007
PAGE NO.: 7 OF 8
EIA referenced Reel Dimensions for PESD Devices
Reel Dimensions (mm):
Carrier Dimensions (mm):
Product Orientation – always face up (meaning the substrate is at the bottom), but parts do not have polarity mark.
Leader & Trailer: The leader is 180mm in length & consists of empty cavities with sealed cover tape.
The trailer is 350mm in length & consists of empty cavities with sealed cover tape.
A B C D E F G
0402 Devices 178.0 ±2.0 2.0 ±0.5 13.0±0.5 21.0±0.8 62.0±1.5 9.0±0.5 13.0±1.0
A B C D E F L W T
1
0402 Devices 8.0±0.3 3.5±0.05 1.75±0.1 2.0±0.05 4.0±0.1 1.5±0.1 1.15±0.2 0.65±0.05 0.40±0.05
Tr.‘Tyco Electronics ESD Protector 308 Constitution Drive Overvoltage Protection DeVIce Memo Park. CA 9402571164 Pm“: 8002274856 Raychem Circuit Protectinn Pmducts WWW.DIIDUIIPIDI‘EDNDH.DDH1 PRODUCT: PESD0402-060 DOCUMENT: SCD 26105 REV LETTER T REV DATE DECEMBER 7, 2007 PAGE NO.: 8 OF 8 POST REFLOW CLEANING CONDITIONS
308 Constitution Drive
Menlo Park, CA 94025-1164
Phone: 800-227-4856
www.circuitprotection.com
ESD Protector
Overvoltage Protection Device
Raychem Circuit Protection Products
PRODUCT: PESD0402-060
DOCUMENT: SCD 26105
REV LETTER: I
REV DATE: DECEMBER 7, 2007
PAGE NO.: 8 OF 8
POST REFLOW, CLEANING CONDITIONS
A 5% saponofier combined with water during wash.
For Ultrasonic process water temperature should be at 50°C and board should be submerged for a minimum of
one minute in the solutions, then rinse and dry.
For in-line washing, the temperature of the water sprayed should be at 110°C, rinse and drying is done in-line.
Warning: Application Limitations for PESD0402-060. This part is not intended to be used
under bias, nor for power bus nor data line applications. It is only to be used in RF
applications. Users should independently evaluate the suitability of and test each product
selected for their own applications
Information furnished is believed to be accurate and reliable. However, users should independently evaluate the suitability of and test
each product selected for their own applications. Tyco Electronics reserves the right to change or update, without notice, any
information contained in this publication; to change, without notice, the design, construction, processing, or specification of any
product; and to discontinue or limit production or distribution of any product. This publication supersedes and replaces all information
previously supplied. Without expressed or written consent by an officer of Tyco Electronics, Tyco Electronics does not authorize the
use of any of its products as components in nuclear facility applications, aerospace, or in critical life support devices or systems. Tyco
Electronics expressly disclaims all implied warranties regarding the information contained herein, including, but not limited to, any
implied warranties of merchantability or fitness for a particular purpose. Tyco Electronics’ only obligations are those in the Tyco
Electronics Standard Terms and Conditions of Sale and in no case will Tyco Electronics be liable for any incidental, indirect, or
consequential damages arising from the sale, resale, use, or misuse of its products.
© 2004, 2007 Tyco Electronics Corporation. All rights reserved.

Products related to this Datasheet

TVS DIODE 6V 0402
TVS DIODE 6V 0402
TVS DIODE 6V 0402