TS13401 Solid State Relay Driver

Semtech presents a Neo-Iso™ solid state relay driver including sensing and power transfers

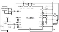
Image of Semtech TS13401 Solid State Relay Driver (click to enlarge)Semtech’s TS13401 is a galvanically isolated, 60 V power FET driver with bidirectional blocking. The state of the TS13401 is controlled by sending commands on the CLK input. The switch can support several sensing modes where the switch state, load current, supply voltage, and device temperature can be sampled. The digitized measurements can be read back from the device on the DATA pin when requested on the CLK pin. This driver supports power transfer from the system's AC supply to the low-voltage controller domain.

Several protection features are included in the TS13401 driver. One feature is the switch will open in self-protection if current exceeds the overcurrent limit or if the device temperature limit is exceeded. The switch remains open until a new turn-on sequence is given.

Features

  • Low quiescent operating currents: 15 μA in ON state and 2 mA in sensing mode
  • Switch to controller scalable galvanic isolation
  • Single control signal for input commands with microcontroller-compatible levels
  • Switch characteristics include bidirectional blocking in OFF state, up to 60 V FETs supported, up to 10 A current during inrush, and 5 A continuous operation
  • Operating modes are zero-cross ON / OFF, immediate ON / OFF, dithering mode for system power sharing, and switch state polling
  • Sensing modes for system data acquisition

TS13401 Solid State Relay Driver

ImageManufacturer Part NumberDescriptionOutput ConfigurationOutput TypeInterfaceAvailable QuantityPriceView Details
IC PWR DRIVER P-CHAN 1:1 20MLPQTS13401ULTRTIC PWR DRIVER P-CHAN 1:1 20MLPQLow SideP-Channel1-Wire0 - Immediate$1.64View Details
Published: 2017-11-03