
DigiKey and Würth Elektronik have partnered to offer an extensive range of products and tools designed to simplify IIoT implementation.

A highly-integrated SiP offers a compact solution for cellular IoT.

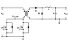
Novel solutions pave the way for more advanced and optimized telecom power supplies.

Phoenix Contact’s LPC 2,5 lever-actuated pluggable terminal blocks combine ease of use with reliability.
Using a plug-and-play module to easily add Bluetooth Low Energy to a design.

Functional safety relays play a critical role in assuring the safe operation of industrial machinery and equipment.

Reducing noise in audio devices using ESD notch filters in conjunction with noise suppression filters.

Leveraging 10BASE-T1L for flexible and efficient building automation solutions.

AEC-Q200 Rev E sets rigorous stress tests for fuses to ensure their reliability in automotive environments.

Wireless SoCs are well-suited for Internet of Medical Things devices.

Analog Devices and DigiKey – a partnership for innovation and excellence.

Advanced automation is key to efficient production and is a powerful tool for optimizing infrastructure and processes in terms of sustainability.

Since datacenters have huge energy requirements, power solutions that can reduce power losses, boost efficiency, and enhance thermal control are required.

The entire transportation sector is undergoing a radical transformation with solutions for electric and hybrid cars and cleaner mass transportation.

Wide Band Gap semiconductors bring several advantages in power conversion, such as increased power density and efficiency, and reducing system size and weight.
Thermal management is the unsung hero of electronics, keeping devices cool and working properly. What are the potential solutions and when do they apply?
Everyone has access to the IoT and the development kits discussed in this article are just a sample of the tools available to IoT designers.