Small, Low-Cost, Low-Power Disposable Radios—Part 1: Transmitters
Contributed By Electronic Products
2015-03-19
The reduction of size, weight, power, and cost of radio-frequency (RF) components is becoming increasingly important in meeting industry requirements. In particular, telemetry, data gathering, environmental sensors, wildlife sensors, and other remote or unmanned applications have the need for small, low-power and low-cost transmit-only data links using radios designed at the outset for one-time or short-term use. What’s more, these short-lived systems are usually placed in the harshest of environments subject to heat, cold, shock, vibration, and even ESD, EMI, RFI, and solar flares.
Designing these links takes a different tact than the typical product that has a fairly well-engineered life cycle. Reliability, clever low-power techniques, and miniaturization are often essential elements. In some applications hundreds or thousands of these dedicated links will be used and deployed, so cost can be a driving factor, too.
This article looks at issues related to disposable-transmitter-radio designs. Choices of protocols, modulation, transmit-power levels, and operation are examined, as are some of the parts and techniques useful for these types of designs. In Part 1 of this 3-part series we will look at low-cost AM and OOK technologies that are relatively simple yet still provide reliable operation using low-power, narrow bands for one-way, transmit-only functionality. In Part 2 we will then examine corresponding FM and PSK narrow-band solutions and parts. Lastly, in Part 3 we will examine single-chip radio transceivers that embed a microcontroller alongside the radio to achieve higher levels of performance. All parts, data sheets, tutorials, development kits, and training referenced here can be found on the DigiKey website.
One-way communications
Data gathering devices need to either: 1) log and store accumulated data for upload at a later time; 2) report immediately at specified time-slices, or 3) report when an event occurs. (Sometimes they have to satisfy more than one of these requirements.) Simple environmental sensors for weather monitoring, for example, can easily be tethered to balloons to gather immediate data sent at the time of acquisition. Otherwise, every weather balloon would have to be recovered to collect its data.
As another example, consider a bracelet for a bird that logs GPS coordinates that could be used to learn migration patterns. Unless you are following the bird around all the time, logging data for timed or triggered send is the most energy efficient and reliable means of collecting information.
If multiple units are deployed simultaneously, real-time-based time slots can be assigned. Low-power, real-time clocks are very reliable over temperature and time and the alarm features of low-power, real-time clocks can allow a transmit-only circuit to wake up and deliver its payload on a repetitive or a one-time basis.
All of this assumes the receiver is in close enough proximity to gather the data reliably. Conversely, this means the transmit links have to have enough signal strength to cut through any range and/or environmental issues. Otherwise, this lowest-cost, transmit-only data link will fail to deliver the necessary data.
The type of radio and the choice of modulation are critical for disposable radios. Most applications where numerous units will be deployed will be cost sensitive and need to be small. Here is where simplicity helps.
Simple AM or FM transmitters are lowest in cost and here in Part 1 we will focus on AM solutions. A single-transistor stage can be used to implement a simple carrier-on/carrier-off, or FSK type of modulator (Figure 1). Several public-domain designs are readily available using standard, general-purpose parts. While limited to around 10 μW of output power (in unlicensed bands), these can transmit a fairly clean signal for close proximity (100 yards or so) data gathering.

Figure 1: Several good, low-cost, single-transistor AM-transmitter designs are public domain and designed to use standard off-the-shelf parts. Two examples are shown.
AM modulation is the simplest and just turns on the transmitter when the data is at logic one, for example. A carrier wave does not have to be on all the time to maintain communications. This simple carrier-on/carrier-off technique can be used with AM, FM or sideband. This is also called On/Off Keying (OOK).
While single-transistor designs are very small and cheap, integrated radio chips also are an option. The tiny Micrel MICRF113YM6 TR SOT-6-pin transmitter is an example of an advanced AM Radio transmitter chip (Figure 2). Inside, this part houses a complete “data-in/antenna-out” transmit-only link. Based on ASK modulation, this member of the company’s QwikRadio transmitter family focuses on the 300 to 450 MHz UHF unlicensed band and technology to support data rates up to 20 Kbits/sec.

Figure 2: Integrated transmit-only AM chips can provide small, low-cost, and reliable links using very few external components.
Operating from 1.8 to 3.6 Volts, a logic-level signal simply gates the carrier on and off. It is also able to operate from –40 to +85°C, suitable for most wildlife or telemetry transmitters, such as weather balloons, oceanographic sensors, or other limited-range line-of-sight data links.
Corresponding Qwikradio receivers like the small SOIC-8-pin MICRF007YM complete the data link. Using a conventional super-heterodyne narrow-band receiver, it uses an external crystal or reference clock for its internal local oscillator, allowing easy selection of center frequencies. Several suggested mating-crystal links are provided on the product information page (use the link provided) for these parts.
All post-detection (demodulator) data filtering is provided on the MICRF007YM, so no external base-band filters are required. The demodulator-filter bandwidth is fixed at 2.5 kHz. Data rates up to 3.2 kbps can be achieved using NRZ waveforms. Several other family members support frequencies up to 1 GHz.
Another interesting part comes from Maxim, which also provides small ASK-style RF transmitter-only devices like the MAX7044AKA+T to support the 300-450 MHz-UHF band. A nice feature here is the single-input data interface using a buffered clock-out signal of 1/16th the crystal frequency. This allows virtually any microcontroller to implement a rudimentary code-hopping sequencer. This can help with interoperability or noise immunity on a low-cost, simple-RF-transmit link.
Maxim also provides an App Note for FCC and ETSI Requirements for short-range UHF ASK modulated transmitters. There is also a Power Amplifier App Note for Low-Cost ISM Band Transmitters.
Other choices
Several other suppliers also make well-engineered AM- and OOK-style low-cost transmit-only parts in small footprints. A few are focused on specific frequencies in the ISM band. Take, for example, the 8-pin surface-mount Linx Technologies TXM-418-LC for 418 MHz and the Linx TXM-433-LR for 433 MHz. Both are ASK, OOK AM transmitters that offer stable performance over varying antenna-load conditions. The 433 MHz LR part has a max 10 Kb/sec data rate compared to the 5 Kbits/sec of the 413 MHz LC part. Linx Technologies’ 5 Kbit/sec TXM-315-LC 315 MHz part is also available.
The fixed bands on each implementation allow some interoperability between more than just one device in close proximity. Even simultaneous operation of different units at different frequencies can make this approach desirable. A receiver simply tunes in the “station” to access the data stream.
While this approach is not as effective as more costly and advanced spread-spectrum techniques, not all designs need that level of complexity. As a matter of fact, the higher cost, size, and complexity of a modern Wi-Fi, Bluetooth, ZigBee, etc., digital radio chip makes them poor choices for many of these throw-away designs.
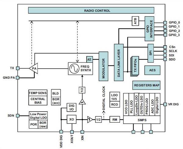
A fairly fast 500 Kbit/sec data-rate modulator for transmit-only use comes from STMicroelectronics with its STS1TXQTR. This is a fairly sophisticated part with a lot of advanced features in a larger 20-pin QFN package (Figure 3).
A particularly nice feature of the ST part is the flexible-packet lengths with dynamic payloads. This is more than a simple on/off transmitter. The part is an actual RF-transmitter peripheral device housing GPIO, FIFOs, radio control, frequency synthesis, and more.

Figure 3: Sophisticated transmit-only chips can provide fairly good data rates, advanced features, and low-power modes, but may take up a little more space.
Within the unlicensed UHF band there are several sub-bands that these parts can specifically support. These are 150-174 MHz, 300-348 MHz, 387-470 MHz, and 779-956 MHz. This makes it very easy to partition several devices to operate concurrently or simultaneously, as long as there are corresponding receivers. As a result, frequency hopping managed by an external MCU can be supported. Note that this is a slower rate hop than modern, complex spread-spectrum radios offer, but it is still quite useful.
The STMicroelectronics STS1TXQTR is larger than the 6- and 8-pin parts we have looked at so far, but brings with it a higher level of functionality, including support for 128-bit AES encryption. It also supports FM and Gaussian Frequency Shift Keying (GFSK) modulation, which bring with it other benefits that we will discuss in Part 2 of this series, in which we will address disposable transmitters for FM and PSK.
In summary
From monitoring bird-migration patterns to sending scientific data from a satellite, many types of one-way RF links are used and often these applications require disposable radios. As this article has discussed, design engineers have many options here and a wide range of technologies, part performance, and functionality is available. Every need is different, so careful consideration of options based on size, power, and cost constraints should be undertaken for every design.
For more information about the parts discussed in this article, use the links provided to access product pages on the DigiKey website.
Disclaimer: The opinions, beliefs, and viewpoints expressed by the various authors and/or forum participants on this website do not necessarily reflect the opinions, beliefs, and viewpoints of DigiKey or official policies of DigiKey.

