RP-xx06S and RxxP06S Series DC/DC Supplies
RECOM offers the DC/DC supplies designed for fast-switching GaN drivers
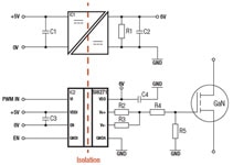
For GaN devices, there is a need for isolated high-side drivers and isolated driver power supplies with an insulation barrier that can cope with the high switching voltages, demanding operating temperatures and fast slew rates. To handle these tough requirements, RECOM has developed two isolated 1 W DC/DC converter series to power the latest GaN drivers.
The RP-xx06S and RxxP06S series offer an output voltage of +6 V which is sufficient to efficiently switch GaN HEMTs without causing a gate dielectric breakdown. The internal transformer design of these converters uses a pot-core to physically separate the input and output windings providing up to 6.4 kVDC isolation to ensure that the isolation barrier stands up to even the harshest operating conditions.
Despite the high isolation grade, they still fit into an industry standard SIP7 case, thus saving valuable space on the circuit board. These converters are available with input voltages of 5 V, 12 V, 15 V, or 24 V and feature a low isolation capacitance (<10 pF). They are IEC/EN-60950-1 certified and fully compliant to RoHS2 and REACH.
For certain GaN applications where higher noise and transients have to be accommodated into the design, RECOM also offers converters with +9 V output, which can be split via a Zener diode circuit to +6 V and -3 V to provide a negative switching gate voltage as well. For reliability and a long operating lifetime, RECOM uses only high quality name-brand components in their designs and therefore can offer a three-year warranty.
RP-xx06S and RxxP06S Series DC DC Supplies
| Image | Manufacturer Part Number | Description | Available Quantity | Price | View Details | |
|---|---|---|---|---|---|---|
![]() | ![]() | R05P06S | DC DC CONVERTER 6V 1W | 0 - Immediate | $12.54 | View Details |
![]() | ![]() | R12P06S | DC DC CONVERTER 6V 1W | 33 - Immediate | $13.00 | View Details |
![]() | ![]() | R15P06S | DC DC CONVERTER 6V 1W | 25 - Immediate | $13.66 | View Details |
![]() | ![]() | R24P06S | DC DC CONVERTER 6V 1W | 40 - Immediate 25 - Factory Stock | $13.66 | View Details |




