MAX25239/MAX25240 Buck-Boost Converters
Analog Devices' MAX25239 and MAX25240 are automotive 2 V to 36 V, 4 A and 6 A buck-boost converters
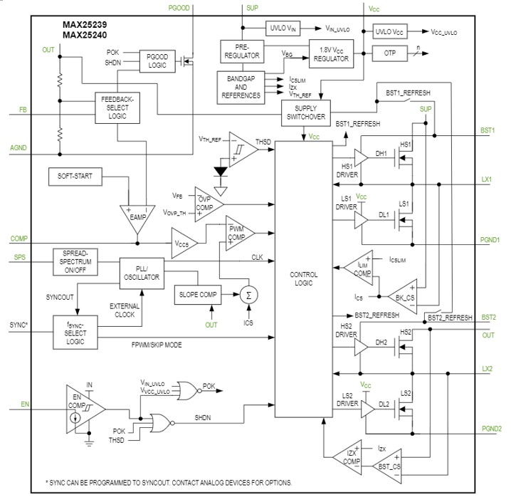
ADI's MAX25239 and MAX25240 are small, synchronous, buck-boost converters with integrated H-bridge switches. These ICs provide a fixed-output regulation voltage and an externally adjustable output voltage in the 3 V to 20 V range with an input voltage above, below, or equal to the output regulation voltage. The IC has typical 8.2 A and 10 A input current limit options and can support continuous load currents up to 6 A, depending on the input-to-output voltage ratio and operating frequency, with a wide input voltage range of 2 V to 36 V.
The MAX25239 and MAX25240 have three switching frequency options: 2.1 MHz, 400 kHz, and 200 kHz. The 2.1 MHz high switching frequency allows small external components and reduced output ripple and guarantees no AM band interference; the 400 kHz and 200 kHz switching frequencies offer better efficiency and relieve power consumption concerns. The SYNC input allows three operation modes: skip mode with ultra-low quiescent current, forced fixed-frequency PWM operation, and synchronization to an external clock. The IC also includes spread-spectrum frequency modulation to minimize electromagnetic interference (EMI).
The MAX25239 and MAX25240 feature a power-OK (POK) indicator, undervoltage lockout, overvoltage protection, cycle-by-cycle current limit, and thermal shutdown. The ICs are available in a small, 4.25 mm x 4.25 mm x 0.75 mm, 22-pin FC2QFN package.
The MAX25240 evaluation kit (MAX25240EVKIT#) is a fully assembled and tested application circuit that simplifies the evaluation of the MAX25240 400 kHz, 36 V buck-boost converter. All installed components are rated for the automotive temperature range. Various test points and jumpers are included for evaluation.
The standard EV kit comes with the MAX25240AFFF/VY+ installed (11.5 V, 400 kHz) and can also be used to evaluate other MAX25240 variants with minimal component changes shown in the MAX25240 EV Kit bill of materials (BOM).
- Meets stringent automotive quality and reliability requirements
- 2 V to 36 V operating input voltage range allows operation in cold-crank conditions
- Tolerates input transients up to 42 V
- EN pin compatible up to 42 V
- 8.2 A/10 A typical input current limit
- Fixed and adjustable output voltage options
- -40°C to +125°C Grade 1 automotive temperature range
- AEC-Q100 qualified high integration and thermally enhanced package reduces BOM cost and board space
- Integrated FETs H-bridge architecture
- 2.1 MHz, 400 kHz, and 200 kHz switching frequency options
- Phase-locked loop (PLL) frequency synchronization
- Thermally enhanced, 22-pin FC2QFN package
- Low quiescent current meets stringent OEM current requirements
- 95 μA quiescent current in standby mode
- 10 μA maximum shutdown current
- Reduced EMI emissions at switching frequency
- Spread-spectrum function enabled/disabled by SPS pin
- Protection features improve system reliability
- Supply undervoltage lockout and thermal protection
- Output PGOOD indicator, overvoltage, and short-circuit protection
Buck-Boost Converters
| Image | Manufacturer Part Number | Description | Available Quantity | Price | View Details | |
|---|---|---|---|---|---|---|
![]() | ![]() | MAX25240AFFF/VY+ | IC REG BCK BST ADJ/6.5V 22FC2QFN | 879 - Immediate 980 - Factory Stock | $7.52 | View Details |
![]() | ![]() | MAX25239AFFA/VY+ | IC REG BUCK BST ADJ/3V 22FC2QFN | 353 - Immediate 490 - Factory Stock | $7.11 | View Details |
![]() | ![]() | MAX25239AFFB/VY+T | IC REG BUCK BST ADJ/3V 22FC2QFN | 2383 - Immediate | $7.32 | View Details |
![]() | ![]() | MAX25239AFFB/VY+ | IC REG BUCK BST ADJ/3V 22FC2QFN | 278 - Immediate 980 - Factory Stock | $7.11 | View Details |
Evaluation Board
| Image | Manufacturer Part Number | Description | Available Quantity | Price | View Details | |
|---|---|---|---|---|---|---|
![]() | ![]() | MAX25240EVKIT# | EVAL BOARD FOR MAX25240 | 56 - Immediate 71 - Factory Stock | $130.74 | View Details |





